| EPC-DY electro-hydraulic correction system | ||||||||||||||||||||||||||||||||||||||||||||||||||||||||||||||||||||||||||||||||||||||||||||||||||||||||||||||||||||||||||||||||||||||||||||||||||||||||||
| Hits:17741 AddTime:2021/9/7 18:49:25 | ||||||||||||||||||||||||||||||||||||||||||||||||||||||||||||||||||||||||||||||||||||||||||||||||||||||||||||||||||||||||||||||||||||||||||||||||||||||||||
EPC - DY type electro-hydraulic correction system, the EPC - QY type gas-liquid correction system is the coil in the transfer when the position offset in the production line control system.With automatic detection, automatic with tracking, automatic adjustment, etc.On paper, film, adhesive tape, aluminum foil material such as marker or edge tracking correction, to ensure the winding, cutting and tidy.This system can be used in light industry, textile, printing, dyeing, printing, strip steel, non-ferrous metal industry, etc.EPC - DY type electro-hydraulic correction system is using correlation infrared photoelectric sensor, EPC - QY type gas-liquid correction system is to use gas sensitive sensor and non-contact detection was carried out on the edge, the controller drive hydraulic servo valve, after processing by the linear distribution of hydraulic servo valve driven by pump suction of the hydraulic oil cylinder around to rectify, has high accuracy and sensitivity.
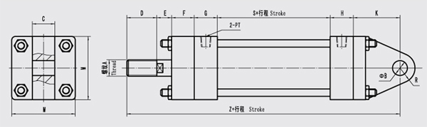
MOB - CA type hydraulic cylinder shape size
| ||||||||||||||||||||||||||||||||||||||||||||||||||||||||||||||||||||||||||||||||||||||||||||||||||||||||||||||||||||||||||||||||||||||||||||||||||||||||||
| 【Refresh】【Favorites】【Print】 【Close】 | ||||||||||||||||||||||||||||||||||||||||||||||||||||||||||||||||||||||||||||||||||||||||||||||||||||||||||||||||||||||||||||||||||||||||||||||||||||||||||
| Previous:EPC-QY LIQUID ERVO deviation control system Next:JP-8 DC servo deviation control system |
- Torque speed sensor
- torque speed sensor
- Magnetic powder clutch
- Magnetic powder brake
- Tension control system
- Deviation control system
- Safety chuck
- Air shaft
- Eddy current brake
- Robot Joint Module Test Stand
- Hysteresis brake
- Hysteresis clutch
- Hysteresis dynamometer
- Eddy current dynamometer
- Electric dynamometer
- Magnetic powder dynamometer
- Hydraulic dynamometer
- Chassis dynamometer
- Drill pipe test bench
- Actuator, worm gear box, test bench
- Engine, axle, gearbox, PTO test bench
- Reducer test bench
- Traction machine test bench
- Motor test bench
- Planetary reducer test bench
- RV, Harmonic Test Bench
- Hydraulic pneumatic motor test bench
- Hydraulic wrench test bench
- Testing software
- Slewing bearing test bench
- Acquisition instrument
- New energy vehicle transmission test bench
- Non-standard custom test bench
- High and low temperature test chamber
- coupling
- Industrial chiller
- Torque calibration



